Отвод П90 530х12 (Ду-500) стальной (Ст.20) 90 градусов ГОСТ 30753

Тип:бесшовные
Диаметр Дн:530 мм
Толщина стенки Т:12 мм
Диаметр условный Ду(Dn):500 мм
Угол изгиба:90 градусов
Материал:сталь 20
Стандарт:ГОСТ 30753-2001
Исполнение:исполнение 2
Присоединение:под приварку
Вес:122 кг
Описание
  • Внешний диаметр по торцам: 530 мм.
  • Внутренний диаметр по торцам: 506 мм.
  • Температура: от минус 70°С до плюс 450°С
  • Номинальное (условное) давление: до 25 кгс/см2 (2,5 МПа)
  • Радиус изгиба: R = 1DN
  • Тип отвода: крутоизогнутый 2D
  • Тип конструкции: бесшовный приварной
  • Стандарт: ГОСТ 30753-2001 (ИСО 3419-81)

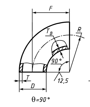
Отвод стальной 90 градусов

DN, мм D, мм Т, мм F, мм R, мм B, мм Масса, кг
500 530 12 500 500 765 122

В ГОСТ 30753-2201 применяют следующие обозначения:

PN(Pу) — номинальное (условное) давление по ГОСТ 356 и ГОСТ 26349;
DN — условный проход (номинальный размер) по ГОСТ 28338;
D — наружный диаметр торцов отводов;
T — толщина стенки деталей на торцах диаметра D;
F — размер между плоскостью одного торца и центром другого торца отводов;
R — радиус кривизны осевой линии (радиус изгиба) отводов;
B — размер между плоскостью торцов и наиболее удаленной от нее точкой наружной поверхности отводов;

Отвод 530х12 стальной (ст20) 90 градусов крутоизогнутый (к/з) приварной бесшовный ГОСТ 30753-2001 по низкой цене и с доставкой по Самаре. Доставка по России Деловыми Линиями или любой другой транспортной компанией по желанию заказчика. Данные отводы производятся в России и отвечают высоким стандартам качества московской объединённой энергетической компании (МОЭК) и Мосводоканала.

Чтобы оформить заказ пришлите заявку с контактами и реквизитами на почту отдела продаж или воспользуйтесь формой заказа на сайте. В ответ вышлем счет на оплату и уточним адрес доставки. В случае, если на данный момент товара нет на складе, в комментарии к счету указывается срок комплектации в рабочих днях для каждой отсутствующей позиции.

Документация
Арт.1110159
в наличии: 284 шт
43 471
цена за шт (c ндс)
Недавно просмотренные
43 471
1 726
679
Мы используем cookie
Чтобы пользоваться сайтом было удобнее.